- Slurry Pump Head
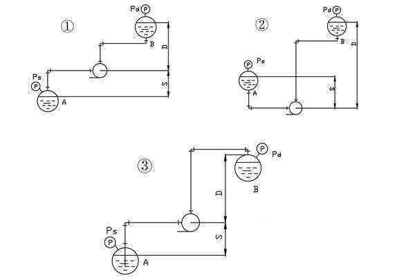
The head refers to the energy obtained by the slurry pump per unit weight of liquid. The calculation of slurry pump head can be roughly divided into three cases (as shown in the figure):

1.h=D + S + hf1 + hf2 + h3 + Pd - Ps
2.h = D - S + hf1 + hf2 + hf3 + Pd - Ps
3.h = D + S + hf1 + hf2 + hf3 + Pd - Ps
D — Geometric discharge height, m; Value: Positive if higher than the pump inlet centerline; Negative if lower than the pump inlet centerline.
S — Geometric suction height, m; Value: Negative if higher than the pump inlet centerline; Positive if lower than the pump inlet centerline.
Pd, Ps — Operating pressure in the container, m of liquid column (gauge pressure); Value: Determined by the sign of the gauge pressure.
Hf1 — Straight pipe resistance loss, m of liquid column.
Hf2 — Fitting resistance loss, m of liquid column.
Hf3 — Inlet and outlet local resistance loss, m of liquid column.
h — Pump head, m of liquid column.
- Slurry Pump Flow Rate
The determination of the slurry pump flow rate mainly involves the following three points:
1.If the minimum, normal, and maximum flow rates are specified in the slurry pump production process, the maximum flow rate should be considered.
2.If only the normal flow rate is given in the production process, a certain margin should be considered:
For high-flow, low-head slurry pumps with a specific speed (NS) > 100, the flow rate margin is 5%. For low-flow, high-head pumps with NS < 50, the flow rate margin is 10%. For pumps with 50 ≤ NS ≤ 100, the flow rate margin is also 5%. For pumps with poor quality or operating under harsh conditions, the flow rate margin should be 10%.
3.If only the weight flow rate is provided in the basic data, it should be converted to volume flow rate.
Relationship Between Slurry Pump Impeller Clearance and Concentration of Conveyed Material (Part 4)
Precautions in Practical Applications
- In practical applications, the following points should be noted when adjusting the slurry pump impeller clearance:
1.Shutdown adjustment: Before adjusting the impeller clearance, the pump must be shut down and the power supply must be cut off to ensure safety.
2.Loosen fastening bolts: Loosen the studs fastening the bearing housing to facilitate adjusting the distance between the impeller and the guard plate.
3.Install adjustment gaskets: Install adjustment gaskets at the connection between the bearing housing and the material tank to move the bearing assembly up or down, thereby adjusting the impeller clearance.
4.Monitor operating current: During the adjustment process, regularly observe the pump’s operating current to ensure that the pump can operate normally under the adjusted clearance.
5.Regular inspection: During actual operation, regularly check the impeller clearance and adjust it as needed. At the same time, check other components of the pump for wear or damage, and replace or repair them in a timely manner.












